用語
| 用語 | 説明 |
|---|---|
| マイコン | マイクロコントローラ (microcontroller) 。主に電子機器などの組み込みシステムに使われる集積回路のひとつ。電子機器の制御用に最適化されたコンピュータの一種である。略してマイコンとも呼ばれる。 |
| 書き込み器 | ARMプロセッサの実行形式ファイルを、ターゲットマイコンのフラッシュメモリ領域に書き込むための装置。 |
| LED | 発光ダイオード 極性 アノード(+):長い方 カソード(-):短い方 |
| ダイオード | 整流作用(電流を一定方向にしか流さない作用)を持つ電子素子![]() ダイオードの素子はPN接合と呼ばれる構造を持っている。P形半導体からの端子をアノード、N形半導体からの端子をカソードといい、アノードからカソードの流れる電流のみを通して、その逆はほとんど通さない。この効果を整流作用といいう。 |
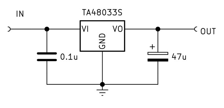
| 3端子レギュレータ | TA48033S
TA48033Sは、16Vまでの入力電圧を入れることができ、それを3.3Vの定電圧へ変換する。
|
| ISP (In-System Programming) | プログラム可能な電子部品で事前にプログラムを書き込んでからシステムに組み込むのではなく、組み込み済みの状態でプログラムを書き込むこと。 |
| プルアップ | ![]() |
| プルダウン | ![]() |



