Lチカ
参考サイト
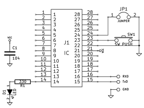
回路図

ブレッドボード実装

完成例

プログラム(ライブラリ)
#include "mbed.h"
DigitalOut myled(LED1);
int main() {
for(int i = 0; i < 5; i++) {
myled = 1;
wait(0.2);
myled = 0;
wait(0.2);
}
exit(0);
}
プログラム(ベアメタル)
#include "mbed.h"
int main(){
LPC_GPIO1->DIR =0x00000060; //PIO1_5のみ出力ポート
for(int i = 0; i < 5; i++) {
LPC_GPIO1->DATA&=~0x0000060;
wait(0.2);
LPC_GPIO1->DATA|= 0x0000060;
wait(0.2);
}
exit(0);
}