テクニカルノート
Bluetoothでリモコン
Bluetooth接続を用いると、表示用端末をリモコンとして使用することも出来るようになります。
リモコンの画面は、マイコンより表示用端末にリモコン画面を描画する命令を送ることにより、操作対象に合ったデザインで作ることができます。
マイコンは表示用端末に描画された図形をタッチした通知を受けることができます。これを利用してマイコンを操作します。
リモコン画面例

キャタピラー車模型
このリモコンでキャタピラー車模型を動かしてみます。
使用した部品
1.タミヤ 楽しい工作シリーズ No.100 トラック&ホイールセット (70100)
2.タミヤ 楽しい工作シリーズ No.143 ユニバーサルアームセット (70143)
3.タミヤ 楽しい工作シリーズ No.168 ダブルギヤボックス 左右独立4速タイプ (70168)
マイコン
マイコンは大抵Bluetoothモジュールを追加してBluetooth通信を行うことができますが、技適を取得した安価なBluetoothモジュールが手に入りづらい様です。
ESP32は技適を取得したBluetoothを内蔵しており、安価ですので今回はこれを使うことにします。
使用したマイコン
WayinTop ESP32開発ボード
モータドライバーモジュール
モータを制御するためにはモータドライバーモジュールが必要です。
2モータ制御出来て最も安価なものを選びました。ただしスピード制御はできません。
使用したモジュール
Ren He 5個セット DRV8833 モータードライバー モジュール 699円(140円/1個)
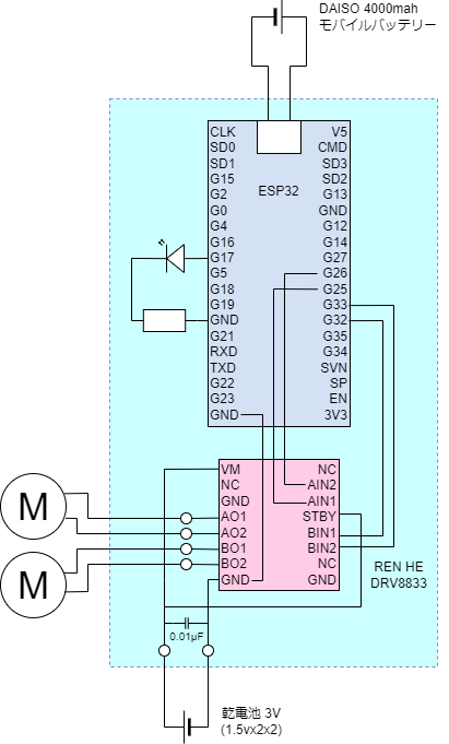
このモジュールは入力電圧2.7V~10.8Vとなっていますが、今回の用途では5Vをかけると電流がオーパするのか、2つ壊しました。
電源
模型車体に乗せるには小さな電源がいいと思い、最初CanDoの4000mah 2A 1つでマイコンとモータの電源を賄おうと思ったのですが、ノイズと負荷時の電圧降下によるマイコンのリセットに対応でできませんでした。
結局モータとマイコンは別電源にすることにしました。
モータ用電源
1.5V乾電池を四本使って2本直列にしたものを並列にして3Vとしました。2本ではパワー不足でした。
マイコン用電源
DAISOの4000mah 1A が安価でコンパクトなので、これを使用しました。短いケーブルが付属しているのもいいです。
結線図

プログラム
ESP32用のプログラムはarduino開発環境で作りました。